
工礦企業
Acrel-1000變電站綜合自動化監控系統在某物流園35kV變電站中應用
楊興媚
江蘇安科瑞電器制造有限公司 江蘇江陰 214400
摘 要:Acrel-1000變電站綜合自動化系統,是我司根據電力系統自動化及無人值守的要求,總結國內外的研究和生產的先進經驗,專門研制出的新一代電力監控系統。本系統具有保護、遙測、遙信、遙脈、遙調、遙控功能,可實現無人或少人值守功能,為監控系統的安全、經濟、可靠運行提供了全新的解決方案。系統采用分層分布式結構,整個監控系統在物理上分為兩個層:站控層和間隔層。站級通信網絡采用標準以太網及TCP/IP通信協議,物理媒介可以為光纖、網線、屏蔽雙絞線等。系統支持Modbus RTU、Modbus TCP、CDT、IEC60870-5-101、IEC60870-5-103、IEC60870-5-104、等通信規約。
關鍵詞:變電站綜合自動化系統;無人值守。
1.概述
該物流園變電站為全戶內兩層布置。一樓西側為主變室。東側為10kV配電裝置室,東北側為二次設備室。二層東側為35kV 配電裝置室,西北側為10kV電容器室。35kV配電裝置采用金屬鎧裝移開式開關柜,戶內單列布置;10kV配電裝置采用金屬鎧裝移開式開關柜,戶內雙列布置。35kV供電系統采用雙母線分段系統,共有13面高壓開關柜;10kV供電系統采用雙母線分段系統,共有21面高壓開關柜;綜合自動機監控系統設置在電氣監控室。
根據用戶配電系統管理需求,需要對35kV開關柜、10kV開關柜、35kV/10kV主變、交直流系統等進行全方面監控與保護,及時發現故障故障,保證配電系統可靠運行。
結合用戶實際生產工藝要求,為實現本項目35kV變電站的全方面監控與管理,在35kV和10kV配電回路中配置AM5SE系列進線保護、主變保護及各種出線保護裝置;在總進線處配置APView500電能質量在線監測裝置。
在電氣監控室配置一套Acrel-1000變電站綜合自動化系統,通過通信管理機及網絡交換機實時采集微機保護裝置、電能質量等二次設備數據,實現整個物流園區供配電系統的全方面電力監控與自動化管理。在電氣監控室配置一套整體化電源系統,為整個變電站的斷路器、二次設備及監控主機等重要設備運行提供穩定可靠的電源。
圖1 物流園電氣監控中心圖
2.系統結構
變電站綜合自動化系統通過智能電力監控裝置、通訊網絡和計算機軟件,實現供配電系統在運行過程中的數據采集、運行監視、事故記錄和分析、繼電保護等,完成園區的安全供電、用電管理和運行管理。系統可分為三層結構:即現場設備層、網絡通訊層和平臺管理層。
現場設備層:包含微機保護、智能操控、多功能儀表、計量表等設備,用于采集站內配電柜內電氣運行參數、開關狀態、電氣接點溫度等數據,同時分別在35kV變電站和10kV變電所配置多套直流電源,保障現場設備良好的運行環境。
網絡通訊層:包含ANet-2E8S智能網關。網關主動采集現場設備層設備的數據,并可進行規約轉換,數據存儲,分散10kV變電站通過數據采集箱(內置智能網關)采集數據通過光纖上傳至通信室變電站綜合自動化監控系統平臺;同時網關充當遠動通信裝置,將現場設備數據采集后通過交換機經縱向加密數據加密后上傳調度網。
平臺管理層:l變電站綜合自動化監控系統平臺、國網浙江杭州市蕭山區電力調度控制中心平臺。
圖2 監控系統網絡結構圖
3.解決方案
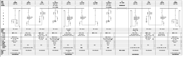
本項目35kV配電裝置采用金屬鎧裝移開式開關柜,本期及遠景進線2回,采用單母線分段,本期新上柜中,有2臺進線隔離柜,2臺計量柜,2臺進線開關柜,2臺壓變柜,2臺主變進線開關柜,1臺母線分段開關柜,1臺母線分段隔離柜。為預留遠景可能的3#主變,在35kVⅡ段母線PT柜與2#主變柜間空余一個柜位,日后可插入新柜。開關柜具有可靠的“機械五防”功能,進線開關與進線隔離手車間設置電器連鎖。
圖3 35kV開關室一次系統圖
10kV配電裝置采用金屬鎧裝中置式開關柜,本期出線2回,采用單母線分段。本期新上9臺開關柜,其中有1臺主變進線開關柜,1臺電容器柜,2臺站用變柜,1臺分段開關柜,1臺分段隔離柜,2臺饋線柜,1臺母線PT柜。柜間母線橋1座,主變母線橋1座。其中10kVⅡ段待二期建設。
圖4 10kV開關室一次系統圖
3.1.方案綜述
本次工程采用分層分布式綜合自動化系統。計算機監控系統采用安科瑞電氣股份有限公司生產的微機監控系統。本期配置:遠動主機屏1面,公用測控屏1面,電力調度數據網屏1面,#1主變保護測控屏1面,電能計量屏1面,整體化電源系統屏共7面,上述綜合自動化屏在二次設備室內集中布置。
35kV進線、母分及10kV饋線、電容器、母分按間隔配置保測整體化裝置,35kV及10kV母設按間隔配置測控裝置,上述設備均就地布置相應間隔開關柜內。各柜內安裝的保護、測控裝置的信息均通過103協議通過以太網通道上送至站控層。二次設備室內設備GPS時鐘對時采用電B碼,35kV、10kV開關室內保護測控裝置采用網絡對時。
本工程配置站用變壓器2臺(容量為50kVA),其中1臺作為遠景備用;直流系統電壓為110V,蓄電池(容量200Ah,54只/2V)組屏2面。整體化電源系統共組屏7面布置于二次設備室,至監控后臺的報文采用通信軟報文加硬接點方式。
全站N600有且僅有一點接地,該接地點設在#1主變保護測控屏上。
本工程設電能計量屏(主變35kV、主變10kV側各1只電能表)1面,35kV進線、10kV饋線、電容器間隔電能表均就地布置在各間隔開關柜。其中計量關口設在35kV進線側。站內電能表數據通過電能采集裝置ERTU上傳調度中心。
3.2.功能需求
3.2.1.本地數據采集
變電站綜合自動化系統需采集設備數量共計34臺,本地設備根據數據類型主要分為遙測、遙信、電能三類數據。整體系統功能需求:
1) 數據采集及處理:通過間隔層設備實時采集現場各種電參數、開關量及溫度量、電能抄表值等;
2) 畫面顯示:各回路的合、分狀態、變位信息、保護設備動作及復歸信息、直流系統及所用變系統的信息、各測量值的實時數據、各種告警等信息。
3) 記錄功能:具有電壓、電流、功率、電能以及事故、告警事件等各種歷史數據的存儲功能,以供查詢、分析、打印。
4) 報警處理:用戶可以根據自己的需要分類篩選有關報警,并將報警歸納于不同的報警窗口。
5) 應具有完善的用戶權限管理功能,避免越權操作;
6) 曲線分析功能:可以曲線形式展示實時數據庫和歷史數據庫中的模擬量、電度量數據,以便分析其當前運行狀態及有關歷史趨勢;
7) 報表統計功能:通過報表,可以方便分析供電系統及各回路運行參數,形成運行日報、月報、電能統計日報、月報、年報。
3.2.2.電力安全防護需求
為了加強該物流園配電工程電力監控系統安全防護,抵御黑客及惡意代碼等對監控系統發起的惡意破壞和攻擊,以及其它非法操作,防止電力監控系統癱瘓和失控,和由此導致的變電站一次系統事故和其他事故,需制定電力安全防護方案。
該物流園配電工程內配置變電站監控系統、調度數據網系統、電能量采集裝置。
變電站監控系統
本站變電站監控系統采用系統組態軟件Acrel-1000變電站綜合自動化監控系統,配置一臺監控后臺主機兼操作員站。主要實現變電站的數據采集、監視和控制功能,以監測控制計算機為主體,加上檢測裝置、執行機構與被監測控制的對象(生產過程)共同構成的整體。在這個系統中,計算機直接參與被監控對象的檢測、監督和控制,采用IEC104規約、端口號2404,并實時與地調自動化主站系統進行數據傳輸。裝置操作系統采用64位WINDOWS 7旗艦版,數據庫版本為SQL Server 2008R2。
電能量采集裝置
本站配備了一套華云信息生產的型號為ERTU3000C電量采集終端。電量采集終端是一種用于采集、存儲和轉送電站關口表采集和生成的計量計費信息的裝置,配置2個以太網口,電源供電方式為:交直流220V。裝置通過與電度表通信,收集電度表采集和生成的計量計費信息。采集器通過調度數據網非實時業務與計量計費主系統通信,地調接入網上傳通信端口為1020,上報所采集和生成的的計量計費信息。
項目二次系統及生產廠商、操作系統具體版本號等情況如下:
表1 監控系統或設備列表
表2 網絡及安全防護系統和設備列表
3.2.3.主機與網絡設備加固
該物流園配電工程現場應用的監控服務器系統組態軟件Acrel-1000,以及網絡邊界處的通信網關機ANet-2E4SM等,使用Windows的安全加固操作系統,已關閉非必要的網絡服務,具體內容如下:
(1) 確定生產控制大區計算機設備各網卡的IP地址正確配置
(2) 關閉非必要的網絡服務
(3) 禁止網絡非法外聯;
(4) USB口、光驅用封條貼住,禁止USB、光驅移動介質接入
(5) 強化口令密碼,刪除默認多余賬戶,不同的賬戶對應不同的權限設置
(6) 禁止在計算機上安裝與運行監控系統無關的軟件。
現場網絡設備如交換機、工控機、通信管理裝置,對網口實行MAC地址綁定,實現專口專用,對于多余網口進行關閉并用防塵塞封堵端口貼上“端口禁用標志”。
該物流園配電工程項目監控系統安全分區及邊界防護如下圖所示:
圖5 監控系統安全分區及邊界防護圖
3.3.配置設備清單
表1 我司提供方案設備列表
3.4.現場應用圖
圖6 35kV開關柜圖
圖7 10kV開關柜圖
圖8 35kV變壓器圖
圖9 通信室現場圖
Acrel-1000變電站綜合自動化系統人機界面友好,能夠以配電一次圖的形式直觀顯示配電線路的運行狀態,實時監測各回路電壓、電流、功率、功率因數等電參數信息,動態監視各配電回路斷路器、隔離開關、地刀等合、分閘狀態及有關故障、告警等信號。其中,10kV配電系統中監測的開關量主要有:斷路器分、合閘信號,手車工作、試驗位置信號,遠方/就地切換位置信號、彈簧儲能狀態信號、接地刀合分信號、變壓器超溫跳閘信號、高溫報警信號,保護跳閘信號和事故預告信。
圖10 實時監測主界面圖
4.2.電能質量分析
提供電能質量檢測儀所采集數據,如電壓有效值,偏差率,諧波畸變率,電流有效值,分相功率,總功率等信息。
圖11 電參量查詢界面圖
4.3.運行報表
能查詢各回路或設備指定時間的運行參數,報表中顯示電參量信息應包括:各相電流、三相電壓、總功率因數、總有功功率、總無功功率、正向有功電能等。
圖12 電參量運行統計報表界面圖
4.4.網絡拓撲圖
系統支持實時監視接入系統的各設備的通信狀態,能夠完整的顯示整個系統網絡結構;可在線診斷設備通信狀態,發生網絡異常時能自動在界面上顯示故障設備或元件及其故障部位。
圖13 站內設備系統網絡拓撲圖
4.5.曲線查詢
在曲線查詢界面可以直接查看各電參量曲線,包括三相電流、三相電壓、有功功率、無功功率、功率因數等曲線。
圖14 曲線查詢界面圖
5.結語
變電站綜合自動化系統在變電站的作用越來越顯著,對實現電網調度自動化和運維管理現代化,提高電網的安全和可靠運行水平起到了很大的作用,因此各個地區電網中的變電站要進一步加強綜合自動化系統水平,提高運維人員的技能,保證電網安全穩定運行。
作者介紹:
楊興媚,女,本科,測控技術與儀器專業,現任職于江蘇安科瑞電器制造有限公司,主要研究變電站綜合自動化、配電室綜合監控、電力監控系統解決方案。
手機:18860995115,QQ:2881068602,郵箱:yangxingmei@email.acrel.cn

蘇公網安備 32028102001347號
技術支持:江蘇安科瑞電器制造有限公司 電流傳感器| 多用戶儀表