
工礦企業
ACREL-3000電能管理系統在金橋德勤電能管理系統項目中的應用
摘要:園區用戶側用能的透明化、智能化、精細化是當下用能管理的必然趨勢。針對用戶側的配電進線回路,設計安裝智能儀表,再通過后臺系統來實時監控各用能回路的工作狀態;并計量各個回路的用電量、用水量、用氣量。通過實時監控用能以及相關電力參數、提高用能安全、可靠及維護效率、降低維護的人工成本、實現了配電系統監控的無人值守。通過用能的實時監測,數據的采集及存儲,明確用戶的電能使用水平以及電能的具體去向,為用戶節約電力維護成本、物業的合理收費提供數據依據,后期亦可根據對用能數據的分析制定相應的節能改造措施。現就金橋德勤電能管理系統項目中使用的ACREL-3000電能管理系統對用戶側用能智能化做一簡要介紹。
關鍵詞:金橋德勤電能管理系統 電能管理 無人值守 節能改造 智能配電系統 配電自動化
0引言
園區類用能的智化,科學化管理已經成為當前園區物業的主流需求。針對園區內用能的實時監控,數據的存儲積累,分析的計量系統已經成為當下物流需要的系統。物業通過智能計量系統對園區的供配電系統進行梳理,在關鍵節點安裝智能儀表,搭建供配電計量體系,完成園區用能的智能化計量。
ACREL-3000電能管理系統正是針對以上趨勢而研發的用戶端電能管理系統。本系統通過對金橋德勤電能管理系統項目內重要回路進行計量,通過對監測回路用能的實時計量、存儲、分析,以表格或圖形的形式來顯示整個計量體系用能狀況,明確用能去向,為管理者用能考核,用能收費提供數據依據。
本文以金橋德勤電能管理系統為例,簡單介紹ACREL-3000電能管理系統在金橋德勤電能管理系統配電系統中的應用。
1項目介紹
上海金橋德勤通用廠房位于上海川橋路金湘路交叉口,由兩棟9層高層(A#、B#廠房建筑高度48.6米)、兩棟4層低層(C#、D#廠房建筑高度23.6米)及一個整體地下室構成。總建筑面積56846.87平方米,其中地上總建筑面積40868.34平方米,地下建筑面積15978.53平方米。安科瑞電氣股份有限公司于2015年3月承接了上海金橋德勤通用廠房的電能管理系統的設計與實施。設計中充分體現系統的先進性、可靠性、安全性、開放性、可維護性等。
上海金橋德勤通用廠房共1個10KV/0.4KV配電房,在配電房內有0.4KV的安科瑞PZ96L-E4儀表102塊;A#有安科瑞PZ96L-E4儀表13塊,B#有安科瑞PZ96L-E4儀表8塊;C#和D#分別有安科瑞PZ96L-E4儀表4塊,上海金橋德勤通用廠房共用安科瑞儀表133塊。對于上海金橋德勤通用廠房的配電情況,在每棟大樓里安放了采集器通過光纖到A棟的消防控制室,配電房的儀表連接至安放在配電室旁邊的通訊機柜再通過光纖到消防控制室,將所有的儀表連接一起,實現對上海金橋德勤通用廠房用電的實時管理。
2用戶需求
本項目中主要是樓層內用戶用能數據的采集以及電能報表的統計,顯示。基本的需求整理分析后分為以下幾個方面:
3設計方案
3.1參考標準
系統的設計滿足以下所列制造和試驗標準:
JGJ/T 16-92 《民用建筑電氣設計規范》
GB/J63-90 《電力裝置的電測量儀表裝置設計規范》
GB/T13730 《地區電網數據采集與監控系統通用技術條件》
GB2887 《計算站場地技術要求》
GB/50198-94 《監控系統工程技術規范》
DL/T 698.31-2010 《第3.1部分:電能信息采集終端技術規范-通用要求》
DL/T 698.35-2010 《第3-5部分:電能信息采集終端技術規范-低壓集中抄表終端特殊要求》
DL/T 698.41-2010 《第4-1部分:通信協議-主站與電能信息采集終端通信》
DL/T 698.42-2010 《第4-2部分:通訊協議-集中器下行通信協議》
DL/T/814-2002 《配電自動化系統功能規范》
3.2 系統架構設計
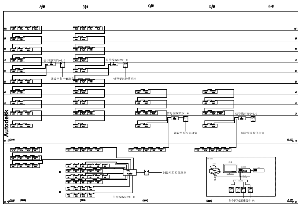
鑒于金橋德勤電能管理系統的建筑規模、性質,以及后續項目的可連帶發展的性質,安科瑞電氣股份有限公司系統部根據用戶的幾點需求以及在相同性質工程中的經驗,對該建筑的智能配電系統的搭建做以下設計:金橋德勤電能管理系統所有監控點位現已安裝智能電力儀表,且均采用標準的Modbus-RTU協議。將現場安裝的智能儀表通過屏蔽雙絞線以手拉手式相連,數據總線直接鋪設至主機所在的變電所值班室。數據總線通過協議轉換隔離器將數據傳輸至系統主機。系統示意圖1所示。
圖1
4 系統功能
上位機軟件采用ACREL-3000電能管理系統,通過軟件進行設備配置、數據庫變量配置、界面設計等,完成了在上位機軟件監控及電力監控的功能。
4.1 功能特點
ACREL-3000電能管理系統采用全中文界面,操作簡單方便;運行穩定可靠的特點。點擊相應快捷按鈕即可進入相應的系統功能模塊;系統具有一次系統圖顯示,模擬圖顯示和網絡結構圖顯示;系統具有人機界面友好,顯示數據直觀,方便用戶查閱。
4.2 軟件功能:
4.2.1運行系統
軟件的界面可以根據項目的特點和客戶的要求來設計。初始界面為“登錄界面”,客戶需通過用戶名,輸入相應密碼,方能進入本系統。
4.2.2通訊示意圖
通訊示意圖為拓撲圖,顯示系統與儀表的通訊是否正常。通過界面模塊顏色的變化來反映整個系統各個監控點位的運行狀態。界面如圖所示。
通訊示意
4.2.3 監測詳圖
監測詳圖反應了整個系統配電回路名稱,相應的配電體系以及回路的主要電參量。通過實時數據的顯示,直觀反映本項目各個監測回路的運行數據,便于管理者實時了解系統運行狀態。界面如圖所示。
監測詳圖
4.2.4 參數抄表
參數報表反映了本項目監測回路的在過去某時間點的運行數據,通過當前或者過去某時間點的實時參量數據反映回路狀態。主要的數據包括:三相電壓,三相電流,電能,有功功率,無功功率,功率補償因數,頻率。界面如圖所示
參數抄表
4.2.5 電能報表
電能報表是對用電量的管理以報表形式呈現,該報表可以實現系統運行期間的任意時間段內的月抄表,日抄表,小時抄表等功能,且可以Excel形式導出或打印。界面如圖所示。
電能報表
4.2.6實時報警
本系統還針對主要電參量的遙測量(包括進線回路的電流、電壓、頻率、功率因素和出線回路的電流越線報警)。也能點擊打開歷史報警調出歷史報警界面。界面如圖所示。
實時報警
5 結束語
金橋德勤電能管理系統實現用電數據的實時采集、存儲、顯示、導出。項目從園區的計量系統的搭建,到后期調試,系統數據的核對,整個過程我方提供了相應階段的技術支持。本系統在設計、安裝、調試的同時,也是對整個園區用能架構的詳細梳理,通過對用能情況的細致分類,明確園區用能的具體去向,從而了解各個工藝以及分段的運作狀態。在本項目中的實際實施過程中還為客戶定制了日、月、年電能報表。滿足了客戶相關的定制化需求,為客戶提供了多樣性的數據分析處理方式,以及導出方式,便于后期物業的相關管理,提高為客戶服務的效率。
除此之外系統實現對采集數據的分析、處理,實時顯示業主各配電回路的電能使用狀況、負載越限具有彈出報警對話框及報警聲音提示,并生成各種電能報表、分析曲線、圖形等,便于電能的遠程抄表以及分析、研究制定相應的用能服務計劃。該系統運行安全、可靠、穩定,為配電系統終端用戶解決各個配電回路的具體用電不明的問題,為后期物業管理者的節能減排以及日常管理調整提供了真實可靠的依據。

蘇公網安備 32028102001347號
技術支持:江蘇安科瑞電器制造有限公司 電流傳感器| 多用戶儀表