
工礦企業
Acrel-6000剩余電流監測系統在龍港新港花園配電工程中的應用
摘要 安科瑞剩余電流式電氣火災監控系統通過ARCM剩余電流式電氣火災監控裝置或數字型剩余電流互感器,對商場、賓館、機場、銀行、醫院、廠房等建筑低壓配電系統進行電氣火災監控。本文通過對龍港新港花園配電工程的介紹,闡述Acrel-6000電氣火災監控系統所實現的功能及其重要意義。
關鍵詞:電氣火災探測器 電氣火災 監控系統 龍港新港花園配電工程 安科瑞
1.前言
龍港新港花園位于龍口市西城區龍中路1269號,周圍設施齊全,有投資價值,地理環境好。
	
 
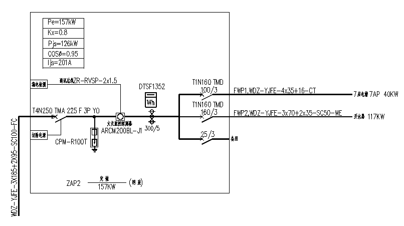
本項目針對龍港新港花園寫字樓,該樓共13層。在每個樓層的強電間內均設有照明配電箱和應急照明配電箱,另外在頂部機房層設有電梯配電箱和空調室外機配電箱,如以上“配電干線系統圖”所示。
2.系統需求分析
本項目樓層為13層,若某層配電線路發生漏電,相關人員無法及時發現。而Acrel6000電氣火災監控系統應能準確監控電氣線路的故障和異常狀態,發現電氣火災的火災隱患,及時報警提醒相關人員消除這些隱患,防止電氣火災的發生。
3.參考標準
本系統符合中華人民共和國國家標準GB14287.1-2005《電氣火災監控系統 第1部分:電氣火災監控設備》。
4.系統結構
Acrel-6000電氣火災監控系統是本公司自主研發的用于接收剩余電流式電氣火災探測器等現場設備信號,以實現對被保護電氣線路的報警、監視、控制、管理的運行于計算機的工業級硬件/軟件系統。本系統應用于大型商場、生活小區、生產基礎、辦公大樓、商場酒店等區域的消防控制中心,對分散在建筑內的探測器進行遙測、遙調、遙控、遙信,方便實現監控與管理。本系統采用標準的Modbus現場總線將具有通信功能的探測器相互連接起來,當現場保護線路中的被探測參數超過報警設定值時,能發出報警信號、控制信號,能指示報警部位并保存報警信息。
龍港新港花園配電工程寫字樓共有16只ARCM200L-I電氣火災探測器,分布于1#樓各樓層以及配電室內。現場電氣火災探測器采用總線方式,通過兩條485總線接入Acrel-6000壁掛式電氣火災監控系統。本系統具有安裝運輸方便、性價比高、維護方便等優點。
Acrel-6000電氣火災監控系統主要設備如下:
主控單元:工業級平板電腦,配有觸摸顯示屏,WinCE 操作系統
② 輸入輸出:內置公司開發的智能 DCMOD 模塊,具有多路輸入輸出
③ 聲光報警器:內置喇叭、LED 指示燈
④ 備用電源: 2 節 12V/7.2Ah 的免維護蓄電池
主機面板元件布置及功能說明
1:報警指示燈(紅色) :設備接收到探測器發出的報警信號時,報警指示燈常亮。
2:故障指示燈(黃色) :當本系統發生故障時(如通訊故障、電源故障等) ,故障指示燈常亮。
3:運行指示燈(綠色) :設備正常運行時,指示燈常亮。
4:主電源指示燈(綠色) :當主電源正常時,監控設備由主電源供電,此時主電指示燈常亮。
5:備用電源指示燈 (綠色) : 當主電源欠壓或故障時, 監控設備由備用電源供電, 此時備用電源指示燈常亮。
本系統分布采用計算機分布式網絡結構,如下圖所示:
	 
 
1)站控管理層
站控管理層針對電氣火災監控系統的管理人員,是人機交互的直接窗口,也是系統的上層部分。主要由系統軟件和必要的硬件設備,如工業級平板電腦、微型打印機、UPS電源等組成。監測系統軟件具有良好的人機交互界面,對現場各類數據信息計算、分析、處理,并以圖形、數顯、聲音、指示燈等方式反應現場運情況。
監控主機:用于數據采集、處理和數據轉發。為系統內或外部提供數據接口,進行系統管理、維護和分析工作。
打印機:系統召喚打印或自動打印圖形、報表、報警記錄等。
UPS:保證計算機監測系統的正常供電,在整個系統發生供電問題時,保證站控管理層設備的正常運行。
電氣火災監控系統主機設置于病房樓B1F消防控制室。
2)網絡通訊層
通訊介質:系統主要采用屏蔽雙絞線以RS485總線方式連接至消防控制室監控主機,實現現場設備與上位機的實時通訊。通訊線沿弱電橋架敷設,保證了通訊的質量。
3)現場設備層
現場設備層是數據采集終端,主要為ARCM200電氣火災探測器和AKH-0.66L系列漏電流互感器(如下圖所示)。ARCM200L-I可監測1漏電流,每路通道具有斷線、短路檢測功能;具有事件存儲功能,報警器能夠記錄報警發生的時間、類型、參數,根據報警記錄可以分析現場的用電情況,為消除故障提供依據;采用現場總線通信技術,上位機管理軟件可以時刻監控現場的運行情況,及時發現報警信息。標準MODBUS協議可以與各種標準系統相連;集成度高,網絡化,智能化程度高。
	
 
5.系統功能
本套上位機軟件Acrel-6000電氣火災系統。主要有以下功能特點:友好的人機界面,可實時和定時采集現場設備的剩余電流數據,并有報警提示聲光報警等功能。客戶可根據實際需要對漏電流報警值進行設置,報警故障解除時,可遠方進行復位。系統可對報警事件、日期、報警值、越線值進行記錄,并生成報表,可對報警事件記錄進行打印。
1)監控主界面
	
 
現場ARCM200L電氣火災探測器采集數據上傳到本界面,客戶可根據需要對回路名稱進行修改,方格內可以顯示相應柜子剩余電流實時值,數據可周期性更新。當剩余電流實測值大于報警設置時,系統報警狀態指示燈會自動閃爍。界面下端的報警提示滾動條會自動提示報警回路名稱,方便運行人員檢查處理故障。
2)探測器通訊故障信息提示界面
	
 
本界面主要實現遙調功能,運行人員可在參數設定報表查詢相應回路的剩余電流越線報警值,根據現場實際需要對剩余電流越線報警值進行設置。同時也可以對報警儀表進行遠程復位,故障報警解除時按復位鍵進行遠程復位,方便用戶的使用。
3)事件記錄查詢界面
	
 
具有事件存儲功能,報警器能夠記錄報警發生的時間、類型、參數、報警值,根據報警記錄可分析故障原因,為消除故障提供依據;并可對報警記錄進行打印。
6.結束語
隨著智能建筑的發展及電力的廣泛應用,人們對安全的意識認識越來越高。電氣火災系統有利于發現安全隱患,及時處理安全隱患,將火災防患與未然有著重要的意義。系統投入運行以來,發現和整改了隱患多處,為本項目的消防管理提供了科學的依據,受到了客戶好評。
	

蘇公網安備 32028102001347號
技術支持:江蘇安科瑞電器制造有限公司 電流傳感器| 多用戶儀表