
ARD2智能電動機保護器
ARD2智能電動機保護器
功能:
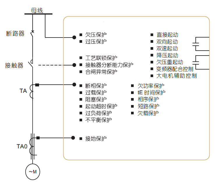
該系列低壓電動機保護器,具有過載、斷相、不平衡、欠載、接地/漏電、堵轉等保護功能。可與接觸器、電動機起動器等電器元件構成電動機控制保護單元,具有遠程自動控制、現場直接控制、面板指示、信號報警、現場總線通信等功能。
電機燒壞的煩惱:
煩惱一:電機經常缺相、過載,怎么辦?
煩惱二:水泵老是空載、欠載,怎么辦?
煩惱三:電機總是相序、過欠壓,咋辦?
煩惱四:設備經常三相不平衡,怎么辦?電動機保護器在電機出現電流的(過流、欠流)、電壓的(過壓、欠壓)及斷相、堵轉、短路、漏電、三相不平衡、過熱、接地、軸承磨損、定轉子偏心時、繞組老化予以報警或保護控制。
保護器的意義:
應用范圍:
可廣泛應用于煤礦、石化、冶煉、電力、建筑等行業的配電領域。電動機保護器 是發電、供電、用電系統的重要器件,滲透制冷、電梯、包裝、食品、建材、機器人、汽車、化工、紡織、醫藥設備、電鍍、塑料造粒、航空、船舶、養殖、天車、起重機、電氣電力、木工機床、密封與酒精、環保與水處理等行業的用電領域。訂貨范例:
具體型號:ARD3T K1 A25/C+60L湖北華新水泥 河北天福水泥 哈爾濱水泥廠 陜西滿意水泥 甘肅省祁連山文縣水泥
甘肅省祁連山成縣水泥 甘肅省祁連山樟縣水泥

● ARD2(L)電動機保護器
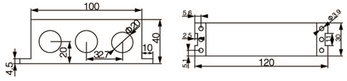
◆ 主體模塊
◆ 互感器
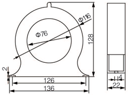
0.1A~100A互感器
63A~250A互感器
250A~800A互感器
100A以下漏電流互感器
100A以上漏電流互感器
產品推薦

蘇公網安備 32028102001347號
技術支持:江蘇安科瑞電器制造有限公司 電流傳感器| 多用戶儀表